THB BEARINGS CO., LTD.
THB BEARINGS CO., LTD.
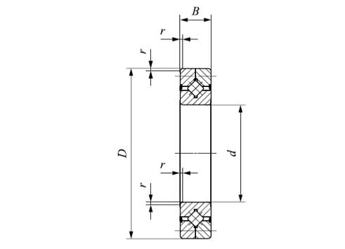
CRB 4010 UU

CRB 4010 UU Cross Cylindrical Roller Bearing

Specifications of CRB 4010 UU Cross Cylindrical Roller Bearing


Shaft diameter(mm)40
ITEMCRB4010UU
Weight(Ref.)(kg)0.15
Boundary dim(mm)Boundary dim(d)40
Boundary dim(D)65
Boundary dim(B)10
Boundary dim(r)0.3
Mounting dimensions(mm)Mounting dimensions(da)44
Mounting dimensions(Da)54
Basic dynamic load rating(N)Basic dynamic load rating(C)
5 980
Basic static load rating)(C0)8 040